SURAKHA APARTMENT BLOCK B
CURRENTLY UNDER CONSTRUCTION.
Situated near SAHID KHUDIRAM METRO Station & the E.M. Bypass. The project is surrounded with schools, colleges, hospitals, entertainment zones, marketplaces which will provide you an eternal convenience. We have provided standard amenities that a standard living building needs to. Wishing you have a happy home.
| Type: | Residential |
| Status: | Under Construction |
| No. of Blocks: | 1 |
| No. of Floors: | G+3 |
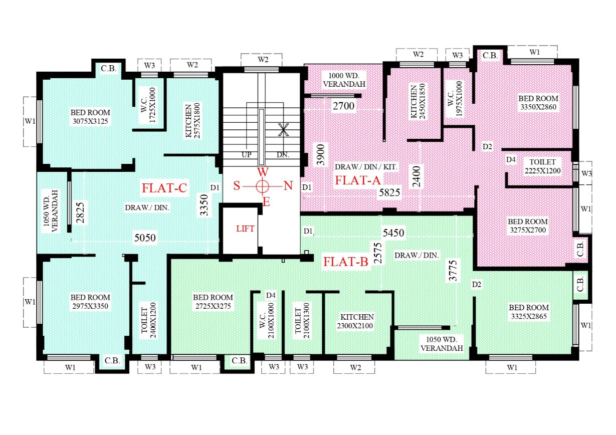
| Unit Size: | 2 BHK, ( 3BHK OPTIONAL) |
| Total No. of Flats: | 9 |
| Municipality: | Rajpur- Sonarpur Municipality |
| Water Supply: | Boring |
| Electricity: | CESE |
| Site Address: | 492 Madhya Balia, garia, Kol-84. |
| Contact No.: | 9830873456/ 9051148984 |
R.C.C. Framed.
External Finish.
Blending of water proof acrylic base paint & other decorative finish.
DOOR & WINDOW: Door Frame would be made of sal wood, door shutter would be flush door made of commercial ply. all windows would be made of Aluminium siding with glass & grill.
FLOORING: Total flooring will be of Vitrified Tiles. Stair & Lobby area flooring would be of marble.
SANITARY & PLUMBING: For standard toilet would be provide with 1 shower, 1 commode, 1 commode hand shower, 1 water tap, provision for hot water line.
KITCHEN: Blackstone with marble cooking platform, stainless steel sink, glazed tiles up to height 2 ft. above cooking platform.
ELECTRICAL WORKS: Concealed wiring in all flat, each flat will be provided with the following electrical point.
i) Bedroom: – 2 Light, 1 Fan, A.C. Point (1 Bedroom),1 plug (5 amp.)
ii) Dining/Drawing: 2 Light, 1 Fan, 1 TV Power, 2 Plug (15 amp. & 5 amp.)
iii) Kitchen: 1 Light, 1 Exhaust fan, 2 plug (15 amp. & 5 amp.).
iv) Toilet: 1 Light, 1 Exhaust fan.
v) Entrance: 1 Door Bell.
vi) Lift – One Lift .
BALCONY: MS Railing.( 3 feet from floor level)
DISCLAIMER- ALL INTERIOR & EXTERIOR DESIGN ARE VISUALISATION PURPOSE ONLY.
IT MAY BE SUBJECT TO CHANGE WITH SITE CONDITION W/O ANY PRIOR INTIMATIONS.
LOCATION: 492 Madhya Balia, Garia, Kol-84 (Near SAHID KHUDIRAM Metro & Garia Railway Station)
LOCATION ADVANTAGE (approx.):
| Kavi Subhash Metro | 1.5 km. |
| Garia Railway Station | 1.1 km. |
| Bus Stand | 400 mtr. |
| Remedy Hospital | 1 k.m. |
| Khudiram Metro | 900 mtr. |
| E.M. Bypass | 400 mtr. |
| Balia Market | 400 mtr. |
| Metropolis Mall & Inox | 3 k.m. |
| Floating Market | 2 k.m. |


CURRENTLY UNDER CONSTRUCTION.
Situated near SAHID KHUDIRAM METRO Station & the E.M. Bypass. The project is surrounded with schools, colleges, hospitals, entertainment zones, marketplaces which will provide you an eternal convenience. We have provided standard amenities that a standard living building needs to. Wishing you have a happy home.
| Type: | Residential |
| Status: | Under Construction |
| No. of Blocks: | 1 |
| No. of Floors: | G+3 |
| Unit Size: | 2 BHK, ( 3BHK OPTIONAL) |
| Total No. of Flats: | 9 |
| Municipality: | Rajpur- Sonarpur Municipality |
| Water Supply: | Boring |
| Electricity: | CESE |
| Site Address: | 492 Madhya Balia, garia, Kol-84. |
| Contact No.: | 9830873456/ 9051148984 |
R.C.C. Framed.
External Finish.
Blending of water proof acrylic base paint & other decorative finish.
DOOR & WINDOW: Door Frame would be made of sal wood, door shutter would be flush door made of commercial ply. all windows would be made of Aluminium siding with glass & grill.
FLOORING: Total flooring will be of Vitrified Tiles. Stair & Lobby area flooring would be of marble.
SANITARY & PLUMBING: For standard toilet would be provide with 1 shower, 1 commode, 1 commode hand shower, 1 water tap, provision for hot water line.
KITCHEN: Blackstone with marble cooking platform, stainless steel sink, glazed tiles up to height 2 ft. above cooking platform.
ELECTRICAL WORKS: Concealed wiring in all flat, each flat will be provided with the following electrical point.
i) Bedroom: – 2 Light, 1 Fan, A.C. Point (1 Bedroom),1 plug (5 amp.)
ii) Dining/Drawing: 2 Light, 1 Fan, 1 TV Power, 2 Plug (15 amp. & 5 amp.)
iii) Kitchen: 1 Light, 1 Exhaust fan, 2 plug (15 amp. & 5 amp.).
iv) Toilet: 1 Light, 1 Exhaust fan.
v) Entrance: 1 Door Bell.
vi) Lift – One Lift .
BALCONY: MS Railing.( 3 feet from floor level)
DISCLAIMER- ALL INTERIOR & EXTERIOR DESIGN ARE VISUALISATION PURPOSE ONLY.
IT MAY BE SUBJECT TO CHANGE WITH SITE CONDITION W/O ANY PRIOR INTIMATIONS.
LOCATION: 492 Madhya Balia, Garia, Kol-84 (Near SAHID KHUDIRAM Metro & Garia Railway Station)
LOCATION ADVANTAGE (approx.):
| Kavi Subhash Metro | 1.5 km. |
| Garia Railway Station | 1.1 km. |
| Bus Stand | 400 mtr. |
| Remedy Hospital | 1 k.m. |
| Khudiram Metro | 900 mtr. |
| E.M. Bypass | 400 mtr. |
| Balia Market | 400 mtr. |
| Metropolis Mall & Inox | 3 k.m. |
| Floating Market | 2 k.m. |

